Home
Products
COMPRESSION DRIVERS
BIANCO-25CD-P
ROSSO-25CDN-P NEW
BIANCO-34CD-T
BIANCO-34CD-PK
ROSSO-34CD-PK
ROSSO-34CDN-PK
BIANCO-44CD-K
BIANCO-44CD-PK
BIANCO-44CD-T
ROSSO-44CD-PK
ROSSO-44CDN-PK
ROSSO-65CD-T
ROSSO-65CDN-T
BIANCO-75CD-T
ROSSO-75CDN-T NEW
Woofers
ROSSO-6C200D NEW
NERO-5CCN125D NEW
NERO-6MRN150D
ROSSO-6MW151D NEW
ROSSO-6MW150D
BIANCO-8MW125
NERO-8MWN400D NEW
BIANCO-8MW250 NEW
BIANCO-8MWN150
BIANCO-10MW150
BIANCO-10MW200
NERO-10MWN600D NEW
BIANCO-12MW200
ROSSO-12MW300
NERO-12MWN400D
NERO-12MWN700D NEW
BIANCO-15MW200
BIANCO-15W200
BIANCO-15MW500 NEW
BIANCO-15MW350
ROSSO-15W400
ROSSO-15MW500
NERO-15MWN700D NEW
Subwoofers
BIANCO-15SW400
ROSSO-15SW800
NERO-15SW800
BIANCO-18SW450
BIANCO-18SW500
ROSSO-18SW650
ROSSO-18SW750
ROSSO-18SW800
ROSSO-18SW1000D
NERO-18SW1100D
NERO-18SW1900D NEW
ROSSO-21SW800
NERO-21SW1100D
Open Baffle Drivers
BIANCO-12OB150-01
BIANCO-15OB350
NERO-15OBN450D NEW
NERO-18OBN500D NEW
Coaxials
ROSSO-8CX250 NEW
ROSSO-10CX300 NEW
ROSSO-12CX350 NEW
Horns
HORN H225
HORN H250
HORN H280
XHYDE 290 NEW
APPLICATION
About
DISTRIBUTORS
Contact
Click to download PDF
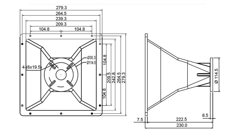
FEATURES:
1.4" Throat entry
70° x 50° nominal coverage
Excellent loading down to 500 Hz
Constant directivity
PRODUCTS
>
HORN
> H280
DATA SHEETS: