
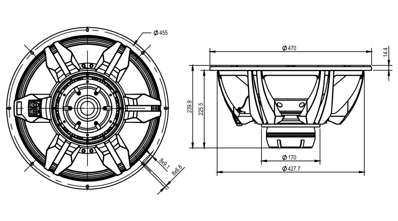
Click to download Datasheet
FEATURES:
- Long stroke design
- Designed for open baffle applications
- Minimum damping fiber glass voice coil former
- 4" CCAW voice coil using APC coating technology
- Open Yoke Vent (OYV) for ultra low compression and noise
- Large flared and vented pole piece for reduced compression
- Extended copper sleeve for low inductance and intermodulation distortion
- Proprietary cone paper material made in-house doped with fiberglass and graphene