
Click to download Datasheet
FEATURES:
- Proprietary cone paper material with manila pulp and graphite
- Proprietary cone coating for controlled breakup
- Extended midrange performance
- Shorting ring in motor system for reduced distortion
- Minimum damping fiber glass voice coil former
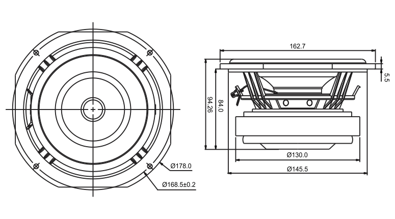
- Cast aluminum chassis